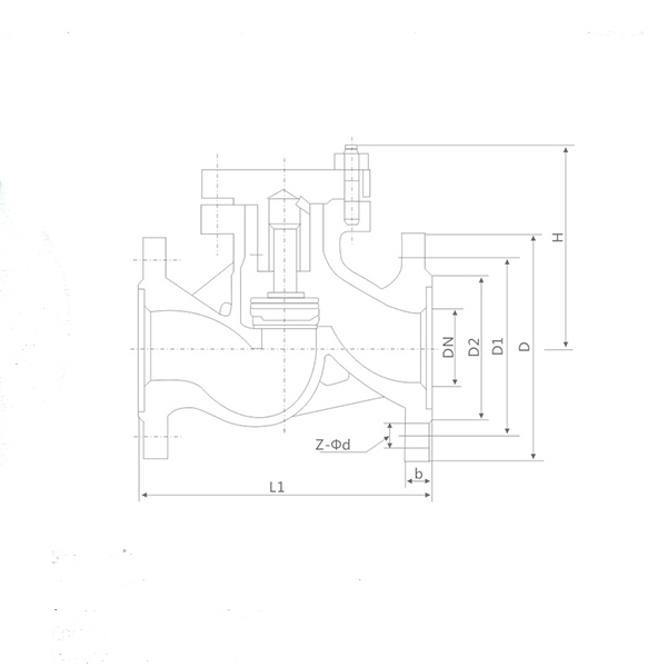
Conception et fabrication comme GB/T12235
Dimensions face à face comme GB/T12221
Dimension de la bride d'extrémité comme JB/T79
Test de pression comme JB/T9092
Article de test |
Test de coque |
Test d'étanchéité |
Test d'étanchéité arrière |
Test d'étanchéité à l'air |
|
Moyen |
Eau |
Air |
|||
Unité |
MPa |
MPa |
MPa |
MPa |
|
Pression nominale PN(MPa) |
1.6 |
2.4 |
1.8 |
1.8 |
0,5 ~ 0,7 |
2.5 |
3.8 |
2.8 |
2.8 |
||
4.0 |
6.0 |
4.4 |
4.4 |
||
6.4 |
9.6 |
7.0 |
7.0 |
||
10.0 |
15.0 |
11.0 |
11.0 |
||
16.0 |
24.0 |
18.0 |
18.0 |
||
Nom |
Matériel |
||||||||
Corps/Capot |
CF8 |
CF3 |
CF8M |
CF3M |
WCB |
LCB |
WC6 |
WC9 |
C5 |
Coin |
CF8 |
CF3 |
CF8M |
CF3M |
WCB |
LCB |
WC6 |
WC9 |
C5 |
Joint |
PTFF |
Graphite |
|||||||
Boulon |
Acier inoxydable |
35CrMoA |
|||||||
Noix |
Acier inoxydable |
45、35CrMoA |
|||||||
Taper |
DN(mm) |
Dimension(mm) |
||||||||
L |
D |
D1 |
D2 |
D6 |
petit ami |
f1 |
z-Φd |
H |
||
H H41W-16 Oui |
15 |
130 |
95 |
65 |
45 |
14-2 |
4-Φ14 |
90 |
||
20 |
150 |
105 |
75 |
55 |
14-2 |
4-Φ14 |
105 |
|||
25 |
160 |
115 |
85 |
65 |
14-2 |
4-Φ14 |
115 |
|||
32 |
180 |
135 |
100 |
78 |
16-2 |
4-Φ18 |
120 |
|||
40 |
200 |
145 |
110 |
85 |
16-3 |
4-Φ18 |
130 |
|||
50 |
230 |
160 |
125 |
100 |
16-3 |
4-Φ18 |
140 |
|||
65 |
290 |
180 |
145 |
120 |
18-3 |
4-Φ18 |
150 |
|||
80 |
310 |
195 |
160 |
135 |
20-3 |
8-Φ18 |
170 |
|||
100 |
350 |
215 |
180 |
155 |
20-3 |
8-Φ18 |
185 |
|||
125 |
400 |
245 |
210 |
185 |
22-3 |
8-Φ18 |
195 |
|||
150 |
480 |
280 |
240 |
210 |
24-3 |
8-Φ23 |
225 |
|||
200 |
600 |
335 |
295 |
265 |
26-3 |
12-Φ23 |
250 |
|||
250 |
650 |
405 |
355 |
320 |
30-3 |
12-Φ25 |
270 |
|||
300 |
750 |
460 |
410 |
375 |
30-3 |
12-Φ25 |
300 |
|||
H H41W-25 Oui |
15 |
130 |
95 |
65 |
45 |
16-2 |
4-Φ14 |
90 |
||
20 |
150 |
105 |
75 |
55 |
16-2 |
4-Φ14 |
105 |
|||
25 |
160 |
115 |
85 |
65 |
16-2 |
4-Φ14 |
115 |
|||
32 |
180 |
135 |
100 |
78 |
18-2 |
4-Φ18 |
120 |
|||
40 |
200 |
145 |
110 |
85 |
18-3 |
4-Φ18 |
130 |
|||
50 |
230 |
160 |
125 |
100 |
20-3 |
4-Φ18 |
140 |
|||
65 |
290 |
180 |
145 |
120 |
22-3 |
8-Φ18 |
150 |
|||
80 |
310 |
195 |
160 |
135 |
22-3 |
8-Φ18 |
170 |
|||
100 |
350 |
230 |
190 |
160 |
24-3 |
8-Φ23 |
185 |
|||
125 |
400 |
270 |
220 |
188 |
28-3 |
8-Φ25 |
195 |
|||
150 |
480 |
300 |
250 |
218 |
30-3 |
8-Φ25 |
225 |
|||
200 |
600 |
360 |
310 |
278 |
34-3 |
12-Φ25 |
250 |
|||
250 |
650 |
425 |
370 |
335 |
36-3 |
12-Φ30 |
270 |
|||
300 |
750 |
485 |
430 |
390 |
40-4 |
16-Φ30 |
300 |
|||
H H41W-40 Oui
|
25 |
160 |
115 |
85 |
65 |
58 |
16-2 |
4 |
4-Φ14 |
115 |
32 |
180 |
135 |
100 |
78 |
66 |
18-2 |
4 |
4-Φ18 |
120 |
|
40 |
200 |
145 |
110 |
85 |
76 |
18-3 |
4 |
4-Φ18 |
130 |
|
50 |
230 |
160 |
125 |
100 |
88 |
20-3 |
4 |
4-Φ18 |
140 |
|
65 |
290 |
180 |
145 |
120 |
110 |
22-3 |
4 |
8-Φ18 |
150 |
|
80 |
310 |
495 |
160 |
135 |
121 |
22-3 |
4 |
8-Φ18 |
170 |
|
100 |
350 |
230 |
190 |
160 |
150 |
24-3 |
4.5 |
8-Φ23 |
185 |
|
125 |
400 |
270 |
220 |
188 |
176 |
28-3 |
4.5 |
8-Φ25 |
195 |
|
150 |
480 |
300 |
250 |
218 |
204 |
30-3 |
4.5 |
8-Φ25 |
225 |
|
200 |
600 |
375 |
320 |
282 |
260 |
38-3 |
4.5 |
12-Φ30 |
250 |
|
H H41W-64 Oui |
15 |
170 |
105 |
75 |
55 |
40 |
18-2 |
4 |
4-Φ14 |
110 |
20 |
190 |
125 |
90 |
68 |
51 |
20-2 |
4 |
4-Φ18 |
125 |
|
25 |
210 |
135 |
100 |
78 |
58 |
22-2 |
4 |
4-Φ18 |
152 |
|
32 |
230 |
150 |
110 |
82 |
66 |
24-2 |
4 |
4-Φ23 |
168 |
|
40 |
260 |
165 |
125 |
95 |
76 |
24-3 |
4 |
4-Φ23 |
170 |
|
50 |
300 |
175 |
135 |
105 |
88 |
26-3 |
4 |
4-Φ23 |
188 |
|
65 |
340 |
200 |
160 |
130 |
110 |
28-3 |
4 |
8-Φ23 |
205 |
|
80 |
380 |
210 |
170 |
140 |
121 |
30-3 |
4 |
8-Φ23 |
230 |
|
100 |
430 |
250 |
200 |
168 |
150 |
32-3 |
4.5 |
8-Φ25 |
280 |
|
125 |
500 |
295 |
240 |
202 |
176 |
36-3 |
4.5 |
8-Φ30 |
300 |
|
150 |
550 |
340 |
280 |
240 |
204 |
38-3 |
4.5 |
8-Φ34 |
350 |
|
200 |
650 |
405 |
345 |
300 |
260 |
44-3 |
4.5 |
12-Φ34 |
400 |
|
Conception et fabrication comme GB/T12235
Dimensions face à face comme GB/T12221
Dimension de la bride d'extrémité comme JB/T79
Test de pression comme JB/T9092
Article de test |
Test de coque |
Test d'étanchéité |
Test d'étanchéité arrière |
Test d'étanchéité à l'air |
|
Moyen |
Eau |
Air |
|||
Unité |
MPa |
MPa |
MPa |
MPa |
|
Pression nominale PN(MPa) |
1.6 |
2.4 |
1.8 |
1.8 |
0,5 ~ 0,7 |
2.5 |
3.8 |
2.8 |
2.8 |
||
4.0 |
6.0 |
4.4 |
4.4 |
||
6.4 |
9.6 |
7.0 |
7.0 |
||
10.0 |
15.0 |
11.0 |
11.0 |
||
16.0 |
24.0 |
18.0 |
18.0 |
||
Nom |
Matériel |
||||||||
Corps/Capot |
CF8 |
CF3 |
CF8M |
CF3M |
WCB |
LCB |
WC6 |
WC9 |
C5 |
Coin |
CF8 |
CF3 |
CF8M |
CF3M |
WCB |
LCB |
WC6 |
WC9 |
C5 |
Joint |
PTFF |
Graphite |
|||||||
Boulon |
Acier inoxydable |
35CrMoA |
|||||||
Noix |
Acier inoxydable |
45、35CrMoA |
|||||||
Taper |
DN(mm) |
Dimension(mm) |
||||||||
L |
D |
D1 |
D2 |
D6 |
petit ami |
f1 |
z-Φd |
H |
||
H H41W-16 Oui |
15 |
130 |
95 |
65 |
45 |
14-2 |
4-Φ14 |
90 |
||
20 |
150 |
105 |
75 |
55 |
14-2 |
4-Φ14 |
105 |
|||
25 |
160 |
115 |
85 |
65 |
14-2 |
4-Φ14 |
115 |
|||
32 |
180 |
135 |
100 |
78 |
16-2 |
4-Φ18 |
120 |
|||
40 |
200 |
145 |
110 |
85 |
16-3 |
4-Φ18 |
130 |
|||
50 |
230 |
160 |
125 |
100 |
16-3 |
4-Φ18 |
140 |
|||
65 |
290 |
180 |
145 |
120 |
18-3 |
4-Φ18 |
150 |
|||
80 |
310 |
195 |
160 |
135 |
20-3 |
8-Φ18 |
170 |
|||
100 |
350 |
215 |
180 |
155 |
20-3 |
8-Φ18 |
185 |
|||
125 |
400 |
245 |
210 |
185 |
22-3 |
8-Φ18 |
195 |
|||
150 |
480 |
280 |
240 |
210 |
24-3 |
8-Φ23 |
225 |
|||
200 |
600 |
335 |
295 |
265 |
26-3 |
12-Φ23 |
250 |
|||
250 |
650 |
405 |
355 |
320 |
30-3 |
12-Φ25 |
270 |
|||
300 |
750 |
460 |
410 |
375 |
30-3 |
12-Φ25 |
300 |
|||
H H41W-25 Oui |
15 |
130 |
95 |
65 |
45 |
16-2 |
4-Φ14 |
90 |
||
20 |
150 |
105 |
75 |
55 |
16-2 |
4-Φ14 |
105 |
|||
25 |
160 |
115 |
85 |
65 |
16-2 |
4-Φ14 |
115 |
|||
32 |
180 |
135 |
100 |
78 |
18-2 |
4-Φ18 |
120 |
|||
40 |
200 |
145 |
110 |
85 |
18-3 |
4-Φ18 |
130 |
|||
50 |
230 |
160 |
125 |
100 |
20-3 |
4-Φ18 |
140 |
|||
65 |
290 |
180 |
145 |
120 |
22-3 |
8-Φ18 |
150 |
|||
80 |
310 |
195 |
160 |
135 |
22-3 |
8-Φ18 |
170 |
|||
100 |
350 |
230 |
190 |
160 |
24-3 |
8-Φ23 |
185 |
|||
125 |
400 |
270 |
220 |
188 |
28-3 |
8-Φ25 |
195 |
|||
150 |
480 |
300 |
250 |
218 |
30-3 |
8-Φ25 |
225 |
|||
200 |
600 |
360 |
310 |
278 |
34-3 |
12-Φ25 |
250 |
|||
250 |
650 |
425 |
370 |
335 |
36-3 |
12-Φ30 |
270 |
|||
300 |
750 |
485 |
430 |
390 |
40-4 |
16-Φ30 |
300 |
|||
H H41W-40 Oui
|
25 |
160 |
115 |
85 |
65 |
58 |
16-2 |
4 |
4-Φ14 |
115 |
32 |
180 |
135 |
100 |
78 |
66 |
18-2 |
4 |
4-Φ18 |
120 |
|
40 |
200 |
145 |
110 |
85 |
76 |
18-3 |
4 |
4-Φ18 |
130 |
|
50 |
230 |
160 |
125 |
100 |
88 |
20-3 |
4 |
4-Φ18 |
140 |
|
65 |
290 |
180 |
145 |
120 |
110 |
22-3 |
4 |
8-Φ18 |
150 |
|
80 |
310 |
495 |
160 |
135 |
121 |
22-3 |
4 |
8-Φ18 |
170 |
|
100 |
350 |
230 |
190 |
160 |
150 |
24-3 |
4.5 |
8-Φ23 |
185 |
|
125 |
400 |
270 |
220 |
188 |
176 |
28-3 |
4.5 |
8-Φ25 |
195 |
|
150 |
480 |
300 |
250 |
218 |
204 |
30-3 |
4.5 |
8-Φ25 |
225 |
|
200 |
600 |
375 |
320 |
282 |
260 |
38-3 |
4.5 |
12-Φ30 |
250 |
|
H H41W-64 Oui |
15 |
170 |
105 |
75 |
55 |
40 |
18-2 |
4 |
4-Φ14 |
110 |
20 |
190 |
125 |
90 |
68 |
51 |
20-2 |
4 |
4-Φ18 |
125 |
|
25 |
210 |
135 |
100 |
78 |
58 |
22-2 |
4 |
4-Φ18 |
152 |
|
32 |
230 |
150 |
110 |
82 |
66 |
24-2 |
4 |
4-Φ23 |
168 |
|
40 |
260 |
165 |
125 |
95 |
76 |
24-3 |
4 |
4-Φ23 |
170 |
|
50 |
300 |
175 |
135 |
105 |
88 |
26-3 |
4 |
4-Φ23 |
188 |
|
65 |
340 |
200 |
160 |
130 |
110 |
28-3 |
4 |
8-Φ23 |
205 |
|
80 |
380 |
210 |
170 |
140 |
121 |
30-3 |
4 |
8-Φ23 |
230 |
|
100 |
430 |
250 |
200 |
168 |
150 |
32-3 |
4.5 |
8-Φ25 |
280 |
|
125 |
500 |
295 |
240 |
202 |
176 |
36-3 |
4.5 |
8-Φ30 |
300 |
|
150 |
550 |
340 |
280 |
240 |
204 |
38-3 |
4.5 |
8-Φ34 |
350 |
|
200 |
650 |
405 |
345 |
300 |
260 |
44-3 |
4.5 |
12-Φ34 |
400 |
|

