Projetar e fabricar conforme BS1868, ANSIB16.34Fane to face dimensões como ANSI B16.10Dimensão do flange final como ANSI B16.5
Classificação de pressão-temperatura conforme ANSI B16.34Teste de pressão conforme API 598
Item de teste |
Teste de casca |
Teste de vedação |
Teste de vedação traseira |
Teste de vedação de ar |
|||||
Médio |
Água |
Ar |
|||||||
Unidade |
MPa |
Ibf/in² |
MPa |
Ibf/in² |
MPa |
Ibf/in² |
MPa |
Ibf/in² |
|
Pressão (Aula) |
150 |
3.1 |
450 |
2.2 |
315 |
2.2 |
315 |
0,5~0,7 |
60~100 |
300 |
7.8 |
1125 |
5.6 |
815 |
5.6 |
815 |
|||
400 |
10.3 |
1500 |
7.6 |
1100 |
7.6 |
1100 |
|||
600 |
15.3 |
2225 |
11.2 |
1630 |
11.2 |
1630 |
|||
900 |
23.1 |
3350 |
16.8 |
2440 |
16.8 |
2440 |
|||
1500 |
38.4 |
5575 |
28.1 |
4080 |
28.1 |
4080 |
|||
Nome |
Material |
||||||||
BodyBonnet Cunha Braço Jugo |
A216 WCB |
A352 LCB |
A217 WC6 |
A217 WC9 |
A217 C5 |
A351 CF8 |
A351 CF8M |
A351 CF3 |
A351 CF3M |
Pino de braço |
A182 F6 |
A182 F304 |
A182 F316 |
A182 F304L |
A182 F316L |
||||
Parafuso do capô |
A193-B7 A320-L7 A193-B8 |
||||||||
Noz |
A194-2H A194-7 A194-8 |
||||||||
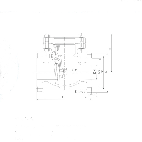
Tipo |
Tamanho (mm |
Dimensão (mm) |
|||||||
Polegada |
DN |
eu |
D |
D1 |
D2 |
b |
z- Φd |
H |
|
H H44W-150Lb S |
1' |
25 |
127 |
108 |
79.5 |
51 |
12 |
4-Φ15 |
90 |
02/11' |
40 |
165 |
127 |
98.5 |
73 |
15 |
4-Φ15 |
115 |
|
2' |
50 |
203 |
152 |
120.7 |
92 |
16 |
4-Φ19 |
150 |
|
21/2' |
65 |
216 |
177.8 |
139.7 |
104.7 |
18 |
4-Φ19 |
160 |
|
3' |
80 |
241 |
190.5 |
152.4 |
127 |
19 |
4-Φ19 |
180 |
|
4' |
100 |
292 |
229 |
190.5 |
157 |
24 |
8-Φ19 |
220 |
|
5' |
125 |
330 |
254 |
216 |
185.7 |
26 |
8-Φ22 |
280 |
|
6' |
150 |
356 |
279 |
241.3 |
216 |
26 |
8-Φ22 |
340 |
|
8' |
200 |
495 |
343 |
298.5 |
270 |
29 |
8-Φ22 |
400 |
|
10' |
250 |
622 |
406 |
362 |
324 |
31 |
12-Φ25 |
460 |
|
12' |
300 |
698 |
483 |
432 |
381 |
32 |
12-Φ25 |
530 |
|
14' |
350 |
787 |
533 |
476.3 |
413 |
35 |
12-Φ29 |
580 |
|
16' |
400 |
864 |
597 |
540 |
470 |
37 |
16-Φ29 |
600 |
|
18' |
450 |
978 |
635 |
578 |
533.4 |
40 |
16-Φ32 |
650 |
|
20' |
500 |
978 |
698.5 |
635 |
584 |
43 |
20-Φ32 |
700 |
|
24' |
600 |
1295 |
813 |
749.3 |
692 |
48 |
20-Φ35 |
780 |
|
28' |
700 |
1448 |
927 |
863.6 |
800 |
72 |
28-Φ35 |
850 |
|
30' |
800 |
1524 |
984 |
914.4 |
857 |
75 |
28-Φ35 |
920 |
|
H H44W-300Lb S |
2' |
50 |
267 |
165 |
127 |
92 |
23 |
8-Φ19 |
170 |
21/2' |
65 |
292 |
190.5 |
149.4 |
104.7 |
26 |
8-Φ22 |
180 |
|
3' |
80 |
318 |
210 |
168.2 |
127 |
29 |
8-Φ22 |
210 |
|
4' |
100 |
356 |
254 |
200.2 |
157 |
32 |
8-Φ22 |
290 |
|
5' |
125 |
400 |
279 |
235 |
185.7 |
35 |
8-Φ22 |
290 |
|
6' |
150 |
444 |
318 |
270 |
216 |
37 |
12-Φ22 |
350 |
|
8' |
200 |
533 |
381 |
330 |
270 |
42 |
12-Φ25 |
430 |
|
10' |
250 |
622 |
445 |
387.5 |
324 |
48 |
16-Φ29 |
480 |
|
12' |
300 |
711 |
521 |
451 |
381 |
51 |
16-Φ32 |
550 |
|
14' |
350 |
838 |
584 |
514.5 |
413 |
54 |
20-Φ32 |
620 |
|
16' |
400 |
864 |
648 |
571.5 |
470 |
58 |
20-Φ35 |
650 |
|
18' |
450 |
978 |
711 |
628.7 |
533.4 |
61 |
24-Φ35 |
690 |
|
20' |
500 |
1016 |
775 |
685.8 |
584 |
64 |
24-Φ35 |
740 |
|
24' |
600 |
1346 |
914.4 |
812.8 |
692 |
70 |
24-Φ41 |
800 |
|
28' |
700 |
1499 |
1035 |
939.8 |
800 |
86 |
28-Φ45 |
860 |
|
30' |
800 |
1594 |
1092 |
997 |
857 |
92 |
28-Φ48 |
980 |
|
H H44W-600Lb S |
2' |
50 |
292 |
165 |
127 |
92 |
26 |
8-Φ19 |
190 |
21/2' |
65 |
330 |
190.5 |
149.4 |
104.7 |
29 |
8-Φ22 |
210 |
|
3' |
80 |
356 |
210 |
168.2 |
127 |
32 |
8-Φ22 |
230 |
|
4' |
100 |
432 |
273 |
216 |
157 |
38 |
8-Φ25 |
300 |
|
5' |
125 |
508 |
330 |
266.7 |
185.7 |
45 |
8-Φ29 |
310 |
|
6' |
150 |
559 |
356 |
292 |
216 |
48 |
12-Φ29 |
370 |
|
8' |
200 |
660 |
419 |
349 |
270 |
56 |
12-Φ32 |
450 |
|
10' |
250 |
787 |
508 |
432 |
324 |
64 |
16-Φ35 |
500 |
|
12' |
300 |
838 |
559 |
489 |
381 |
67 |
20-Φ35 |
570 |
|
14' |
350 |
889 |
603 |
527 |
413 |
70 |
20-Φ38 |
640 |
|
16' |
400 |
991 |
686 |
603 |
470 |
77 |
20-Φ41 |
670 |
|
18' |
450 |
1092 |
743 |
654 |
533.4 |
83 |
20-Φ44 |
710 |
|
20' |
500 |
1194 |
855 |
724 |
584 |
89 |
24-Φ44 |
760 |
|
24' |
600 |
1397 |
1040 |
838 |
692 |
102 |
24-Φ52 |
830 |
|
H H44W -900Lb S |
2' |
50 |
368 |
216 |
165.1 |
92 |
38.5 |
8-Φ26 |
220 |
21/2' |
65 |
419 |
244 |
190.5 |
104.7 |
41.5 |
8-Φ29 |
250 |
|
3' |
80 |
381 |
241 |
190.5 |
127 |
38.5 |
8-Φ26 |
270 |
|
4' |
100 |
457 |
292 |
234.9 |
157 |
44.5 |
8-Φ32 |
330 |
|
5' |
125 |
559 |
349 |
279.4 |
185.7 |
51 |
8-Φ35 |
350 |
|
6' |
150 |
610 |
384 |
317.5 |
216 |
56 |
12-Φ32 |
420 |
|
8' |
200 |
737 |
470 |
393.7 |
270 |
63.5 |
12-Φ39 |
490 |
|
10' |
250 |
838 |
545 |
469.9 |
324 |
70 |
16-Φ39 |
550 |
|
12' |
300 |
965 |
610 |
533.4 |
381 |
79.5 |
20-Φ39 |
630 |
|
14' |
350 |
1029 |
640 |
558.8 |
413 |
86 |
20-Φ42 |
680 |
|
| 16' | 400 | 1130 | 705 | 615.9 | 470 | 89 | 20-Φ45 | 720 | |
18' |
450 |
1219 |
785 |
685.8 |
533.4 |
102 |
20-Φ51 |
750 |
|
20' |
500 |
1321 |
855 |
749.3 |
584 |
108 |
20-Φ54 |
800 |
|
24' |
600 |
1549 |
1040 |
901.7 |
692 |
140 |
20-Φ67 |
880 |
|
Projetar e fabricar conforme BS1868, ANSIB16.34Fane to face dimensões como ANSI B16.10Dimensão do flange final como ANSI B16.5
Classificação de pressão-temperatura conforme ANSI B16.34Teste de pressão conforme API 598
Item de teste |
Teste de casca |
Teste de vedação |
Teste de vedação traseira |
Teste de vedação de ar |
|||||
Médio |
Água |
Ar |
|||||||
Unidade |
MPa |
Ibf/in² |
MPa |
Ibf/in² |
MPa |
Ibf/in² |
MPa |
Ibf/in² |
|
Pressão (Aula) |
150 |
3.1 |
450 |
2.2 |
315 |
2.2 |
315 |
0,5~0,7 |
60~100 |
300 |
7.8 |
1125 |
5.6 |
815 |
5.6 |
815 |
|||
400 |
10.3 |
1500 |
7.6 |
1100 |
7.6 |
1100 |
|||
600 |
15.3 |
2225 |
11.2 |
1630 |
11.2 |
1630 |
|||
900 |
23.1 |
3350 |
16.8 |
2440 |
16.8 |
2440 |
|||
1500 |
38.4 |
5575 |
28.1 |
4080 |
28.1 |
4080 |
|||
Nome |
Material |
||||||||
BodyBonnet Cunha Braço Jugo |
A216 WCB |
A352 LCB |
A217 WC6 |
A217 WC9 |
A217 C5 |
A351 CF8 |
A351 CF8M |
A351 CF3 |
A351 CF3M |
Pino de braço |
A182 F6 |
A182 F304 |
A182 F316 |
A182 F304L |
A182 F316L |
||||
Parafuso do capô |
A193-B7 A320-L7 A193-B8 |
||||||||
Noz |
A194-2H A194-7 A194-8 |
||||||||
Tipo |
Tamanho (mm |
Dimensão (mm) |
|||||||
Polegada |
DN |
eu |
D |
D1 |
D2 |
b |
z- Φd |
H |
|
H H44W-150Lb S |
1' |
25 |
127 |
108 |
79.5 |
51 |
12 |
4-Φ15 |
90 |
02/11' |
40 |
165 |
127 |
98.5 |
73 |
15 |
4-Φ15 |
115 |
|
2' |
50 |
203 |
152 |
120.7 |
92 |
16 |
4-Φ19 |
150 |
|
21/2' |
65 |
216 |
177.8 |
139.7 |
104.7 |
18 |
4-Φ19 |
160 |
|
3' |
80 |
241 |
190.5 |
152.4 |
127 |
19 |
4-Φ19 |
180 |
|
4' |
100 |
292 |
229 |
190.5 |
157 |
24 |
8-Φ19 |
220 |
|
5' |
125 |
330 |
254 |
216 |
185.7 |
26 |
8-Φ22 |
280 |
|
6' |
150 |
356 |
279 |
241.3 |
216 |
26 |
8-Φ22 |
340 |
|
8' |
200 |
495 |
343 |
298.5 |
270 |
29 |
8-Φ22 |
400 |
|
10' |
250 |
622 |
406 |
362 |
324 |
31 |
12-Φ25 |
460 |
|
12' |
300 |
698 |
483 |
432 |
381 |
32 |
12-Φ25 |
530 |
|
14' |
350 |
787 |
533 |
476.3 |
413 |
35 |
12-Φ29 |
580 |
|
16' |
400 |
864 |
597 |
540 |
470 |
37 |
16-Φ29 |
600 |
|
18' |
450 |
978 |
635 |
578 |
533.4 |
40 |
16-Φ32 |
650 |
|
20' |
500 |
978 |
698.5 |
635 |
584 |
43 |
20-Φ32 |
700 |
|
24' |
600 |
1295 |
813 |
749.3 |
692 |
48 |
20-Φ35 |
780 |
|
28' |
700 |
1448 |
927 |
863.6 |
800 |
72 |
28-Φ35 |
850 |
|
30' |
800 |
1524 |
984 |
914.4 |
857 |
75 |
28-Φ35 |
920 |
|
H H44W-300Lb S |
2' |
50 |
267 |
165 |
127 |
92 |
23 |
8-Φ19 |
170 |
21/2' |
65 |
292 |
190.5 |
149.4 |
104.7 |
26 |
8-Φ22 |
180 |
|
3' |
80 |
318 |
210 |
168.2 |
127 |
29 |
8-Φ22 |
210 |
|
4' |
100 |
356 |
254 |
200.2 |
157 |
32 |
8-Φ22 |
290 |
|
5' |
125 |
400 |
279 |
235 |
185.7 |
35 |
8-Φ22 |
290 |
|
6' |
150 |
444 |
318 |
270 |
216 |
37 |
12-Φ22 |
350 |
|
8' |
200 |
533 |
381 |
330 |
270 |
42 |
12-Φ25 |
430 |
|
10' |
250 |
622 |
445 |
387.5 |
324 |
48 |
16-Φ29 |
480 |
|
12' |
300 |
711 |
521 |
451 |
381 |
51 |
16-Φ32 |
550 |
|
14' |
350 |
838 |
584 |
514.5 |
413 |
54 |
20-Φ32 |
620 |
|
16' |
400 |
864 |
648 |
571.5 |
470 |
58 |
20-Φ35 |
650 |
|
18' |
450 |
978 |
711 |
628.7 |
533.4 |
61 |
24-Φ35 |
690 |
|
20' |
500 |
1016 |
775 |
685.8 |
584 |
64 |
24-Φ35 |
740 |
|
24' |
600 |
1346 |
914.4 |
812.8 |
692 |
70 |
24-Φ41 |
800 |
|
28' |
700 |
1499 |
1035 |
939.8 |
800 |
86 |
28-Φ45 |
860 |
|
30' |
800 |
1594 |
1092 |
997 |
857 |
92 |
28-Φ48 |
980 |
|
H H44W-600Lb S |
2' |
50 |
292 |
165 |
127 |
92 |
26 |
8-Φ19 |
190 |
21/2' |
65 |
330 |
190.5 |
149.4 |
104.7 |
29 |
8-Φ22 |
210 |
|
3' |
80 |
356 |
210 |
168.2 |
127 |
32 |
8-Φ22 |
230 |
|
4' |
100 |
432 |
273 |
216 |
157 |
38 |
8-Φ25 |
300 |
|
5' |
125 |
508 |
330 |
266.7 |
185.7 |
45 |
8-Φ29 |
310 |
|
6' |
150 |
559 |
356 |
292 |
216 |
48 |
12-Φ29 |
370 |
|
8' |
200 |
660 |
419 |
349 |
270 |
56 |
12-Φ32 |
450 |
|
10' |
250 |
787 |
508 |
432 |
324 |
64 |
16-Φ35 |
500 |
|
12' |
300 |
838 |
559 |
489 |
381 |
67 |
20-Φ35 |
570 |
|
14' |
350 |
889 |
603 |
527 |
413 |
70 |
20-Φ38 |
640 |
|
16' |
400 |
991 |
686 |
603 |
470 |
77 |
20-Φ41 |
670 |
|
18' |
450 |
1092 |
743 |
654 |
533.4 |
83 |
20-Φ44 |
710 |
|
20' |
500 |
1194 |
855 |
724 |
584 |
89 |
24-Φ44 |
760 |
|
24' |
600 |
1397 |
1040 |
838 |
692 |
102 |
24-Φ52 |
830 |
|
H H44W -900Lb S |
2' |
50 |
368 |
216 |
165.1 |
92 |
38.5 |
8-Φ26 |
220 |
21/2' |
65 |
419 |
244 |
190.5 |
104.7 |
41.5 |
8-Φ29 |
250 |
|
3' |
80 |
381 |
241 |
190.5 |
127 |
38.5 |
8-Φ26 |
270 |
|
4' |
100 |
457 |
292 |
234.9 |
157 |
44.5 |
8-Φ32 |
330 |
|
5' |
125 |
559 |
349 |
279.4 |
185.7 |
51 |
8-Φ35 |
350 |
|
6' |
150 |
610 |
384 |
317.5 |
216 |
56 |
12-Φ32 |
420 |
|
8' |
200 |
737 |
470 |
393.7 |
270 |
63.5 |
12-Φ39 |
490 |
|
10' |
250 |
838 |
545 |
469.9 |
324 |
70 |
16-Φ39 |
550 |
|
12' |
300 |
965 |
610 |
533.4 |
381 |
79.5 |
20-Φ39 |
630 |
|
14' |
350 |
1029 |
640 |
558.8 |
413 |
86 |
20-Φ42 |
680 |
|
| 16' | 400 | 1130 | 705 | 615.9 | 470 | 89 | 20-Φ45 | 720 | |
18' |
450 |
1219 |
785 |
685.8 |
533.4 |
102 |
20-Φ51 |
750 |
|
20' |
500 |
1321 |
855 |
749.3 |
584 |
108 |
20-Φ54 |
800 |
|
24' |
600 |
1549 |
1040 |
901.7 |
692 |
140 |
20-Φ67 |
880 |
|

